几种在微小流量测量中应用的流量计
适合用来测量微小流量的常用流量计有多种,例如差压式、浮子式、容积式、热式等,其中有些流量计既适合测量中大流量,也适合测量微小流量,而另一些专门为测量微小流量而设计。
(1)差压式流量计由标准节流装置和差压计组成的差压式流量计,在小流量测量中受到三方面的限制。
第一个限制是雷诺数下限的限制。节流装置种类不同,其雷诺数下限也不同,就一般而言,雷诺数≥104是可以使用的界限。与此雷诺数下限相对应的平均流速和流量即为小流量的测量下限。雷诺数太小,流出系数会随雷诺数的变化而产生显著的变化,以致不确定增大。
第二个限制是管径的大小。标准节流装置仅适用于50mm和50mm以上管径。管径太小时,节流装置直径相应变小,按标准中规定的形状进行相似加工发生困难。
第三个限制是差压太小。此差压同流速的平方成正比,当流速低到一定数值,差压就变得很小,以致无法分辨。
针对上述的三个限制,有些仪表公司开发了仅适合微小流量测量的内藏孔板差压式流量计。这种流量计同由标准节流装置为传感器的流量计在下面几点有显著的差别。第一个差别是结构上,前者是传感器与变送器合为一体,其典型的结构如图3.57所示,而后者是传感器与变送器相分离。

第二个差别是管径,前者适用的管径均小于50mm,典型的管道内径为10mm 和20mm。由于管径缩小,流速以及同流速相关的雷诺数得以提高,因而能得到较高的差压。所以内藏孔板流量计弥补了标准节流装置型差压式流量计不适合测量小流量的不足。
第三个差别是保证精确度的手段。前者是用实流标定的方法来保证测量精确度的,经过实流标定能得到1级(水)或1.5级(空气)精确度,如果实流标定后用合适的方法对误差进行自动校正,则可得到0.5级(水)和1级(空气)精确度。如果不经实流标定,只能得到5级精确度。图3.58和图3.59所示是一台内藏孔板流量计标定得到的误差以及校正曲线。

现在,差压变送器多数已实现智能化,这为内藏孔板流量计改变量程提供了便捷的手段。内藏孔板流量计在调试和运行中,如果发现原先确定的满度流量值不合适,可将流量满度值扩大或缩小一挡,然后按差压同流量的关系计算新的差压上限,如式(3.108)所示。

用手持终端将差压变送器的差压上限重新设置后,流量计的精确度不会有明显的变化。内藏孔板流量计只适合安装在水平管道上,因为差压变送器偏离水平位置后,其两个膜盒所受的重力变得不对称,因而出现零点漂移。好在这种流量计由于管径小,仪表前后直管段绝对长度要求相应较短,所以水平安装不会给配管带来太大的困难。
内藏孔板流量计的结构常见的有两种:一种是流体流过差压变送器高低压室,如图3.60所示;另一种是流体不流过差压变送器高低压室,如图3.61所示。

对于前面一种结构,流过差压计高低压室的流量同流过节流件的流量相等,当流量近似等于0时,流速很低,流体流过高压室和低压室所产生的压降可忽略,因此,差压变送器测量到的差压同节流件两端的永久压降相等。但当流量增大,流速升高到一定数值时,流过高低压室的压降相应增大,差压变送器测量到的差压明显高于节流件两端压降,从而产生相应的测量误差。现在市场上的差压变送器体积做得越来越小,高低压室内膜盒与壳体之间的间隙做得更小,这就使得该结构的缺陷更为突出。而图3.61所示的结构完全不存在此问题。

内藏孔板流量计安装时应防止可能出现的冷凝液和气体在高低压室中的聚集,即测量气体流量时,高低压室应高于节流件(如图3.62所示),以免可能存在的冷凝液流入高低压室。测量液体流量时,高低压室应低于节流件,以免可能存在的气体钻入高低压室。
(2)浮子流量计。浮子流量计主要由浮子和锥形管组成。玻璃管浮子流量计中的锥管为玻璃管;金属管浮子流量计的锥形管用金属制成,流体温度可达180℃,流体压力可达 13MPa。
小口径浮子流量计的流量测量范围已经可以做得很小,其中水为0.3~3L/h,空气为5~50L/h。环境保护中用得很多的大气采样器,流程在线分析仪器和实验室分析仪器等普遍使用的微型玻璃浮子流量计,其测量范围可更小。
浮子流量计属中低精确度仪表,金属管浮子流量计的基本误差,就地指示型为1%~2.5%FS,远传型为1%~4%FS,小口径玻璃管浮子流量计为2.5%~5%FS。因此,一般只适用于流量监视,而不用于核算计量。
玻璃管浮子流量计只适用于气体和透明度较高的液体,否则浮子在锥形管中的高度不易看清。而金属管浮子流量计却无此限制。
在工业过程的液位、流量、密度测量中,被测介质如果黏度较大或有腐蚀性。常用吹气或吹液的方法进行隔离,吹气、吹液流量常用浮子流量计测量。在气(液)源压力波动较大或被测介质压力波动较大的场合,为了使吹气、吹液的流量稳定和准确地测量,有的产品将浮子流量计与调节器(恒流器)配成一套恒差压流量调节器。图3.63(a)所示的RE型用于稳定入口气体或液体压力变化,保证指示和输出流量稳定。图3.63(b)为RA型,用于稳定出口压力变化,只用于气体。图3.64(a)为RE型仪表输出流量随入口压力变化曲线;图3.64(b) 为RA型仪表输出流量随出口压力变化曲线。而输出流量的大小则可通过浮子流量计所带的阀门设定。

小口径浮子流量计,流体黏度对示值影响较明显,研究者以水做试验,当水温从5℃升到40℃,即水的运动黏度从1.52×10-6m2/s下降到0.66X10-6m2/s,DN6仪表就有1%/℃左右的影响值。对于黏度较高的液体,影响更大。
金属管浮子流量计的浮子多半带有磁性,经磁性耦合部分将浮子在锥形管内的高度信号传递到锥形管外。在钢管中流动的流体多少要夹带一些铁磁杂质,这些杂质在流过流量计时极易被浮子吸引,轻者导致示值变差增大,重则导致浮子卡滞,出现虚假指示。应在仪表前加装磁性过滤器。图3.65所示的磁性过滤器中装有以螺旋方式排列的磁棒,每根磁棒的外面均包有PTFE 聚四氟乙烯,具有良好的耐腐蚀性。这种过滤器的压力损失很小。

浮子在锥形管中上下移动,其任意一个高度都对应一个环形流通面积,但当浮子表面和锥形管内壁粘有污垢时,这个环形流通面积就有所变小,仪表示值有偏高趋势,对于小口径仪表尤为明显。有的研究者做过试验,将口径为6mm的玻璃管浮子流量计,在实验室中测量看似清洁的水,流量为2.5L/h,运行24h后,流量示值升高百分之几,浮子表面黏附肉眼观察不到的异物,取出浮子用纱布擦拭,即恢复原来的流量示值。
(3)容积式流量计。容积式小口径流量计有比较高的准确度,测量下限也可做得很小,例如 KEROMATE-RN型椭圆齿轮流量计(微流量燃料油流量计)测量范围为0.1~10L/ h,瞬时流量>1L/h后,基本误差不大于±1%R。容积式流量计保证精确度的流量下限还与流体的黏度有关,黏度小的流体,从机构的缝隙中泄漏的量相应大一些,因此保证精确度的下限流量只能定得高一些,反之,则可定得低一些。
新型的容积式流量计也已经引入了计算机技术,仪表自带单片机,完成流量系数整量化,瞬时流量计算,积分运算,瞬时流量和累积流量的就地显示等,内置两节锂电池,可供仪表运行8年。仪表的OC门输出口靠仪表外部提供的电源工作,可输出经整量化的幅值足够大的脉冲信号(例如小口径仪表流量系数取100P/L),远传到1km以内的控制室或操作站,供记录、调节等使用。图3.66所示即为这种仪表的远传信号输出级。

容积式流量计按其原理分有椭圆齿轮流量计、腰轮流量计、旋转活塞式流量计等多种,但是小口径容积式流量计有个共同要求,即仪表前面足够近的地方要加装过滤器,而且仪表口径越小,过滤网的目数越高。例如,25~50mm口径需(每25.4mm长度)60目过滤网,20mm口径需(每25.4mm长度)80目,不大于15mm径需(每25.4mm长度)200目等。有的微小流量容积式流量计出厂时就配有一只过滤器,如图3.67所示。

(4)热式流量计。用于微小流量测量的热式流量计是一种直接式质量流量计。是利用传热原理测量流量的仪表,即流动中的流体与热源(流体中外加热的物体或测量管外加热体)之间热量交换关系来测量流量的仪表。
热式流量计用得最多的有两类:一类是利用流动流体传递热量,改变测量管壁温度分布的热传导分布效应的热分布式流量计(thermal profile flowmeter),曾称量热式流量计;另一类是利用热消散(冷却)效应的金氏定律(King's law)热式流量计。

图3.68所示为热分布式流量计工作原理。流量传感器由细长的测量管和绕在其外壁上的加热器及感温元件组成,加热器线圈布置在测量管的中央,它将管壁和管内的流体加热,在加热线圈两边对称位置绕有两个感温热电阻R1和R2,测量与加热线圈对称的上、下游处管壁温度 T1、T2。R1、R2与另外两个电阻R3、R4组成惠斯登电桥,以测量温差△T =T2-T1。加热器提供恒定的热量,通过线圈绝缘层、管壁、流体边界层传导热量给管内流体。边界层内热量的传递可以看作热传导方式实现的。在流量为零时,测量管上的温度分布如图中的虚线所示,相对于测量管中心的上、下游是对称的,电桥处于平衡状态;当流体流动时,流体将上游的部分热量带给下游,导致温度分布变化如实线所示。由电桥测出两感温体的平均温差△T,便可按式(3.109)导出质量流量qm,即

由于测量管壁很薄且具有相对较高的热导率,因此仪表制成后A的变化可简化认为主要是流体边界层热导率的变化,当使用于某一特定范围的流体时,A和cp都可视为常数,则质量流量仅与温差△T成正比。
为了获得良好的线性输出,必须保持层流流动,测量管制得细而长,即有很大的长径比。
此种气体质量流量计是假定气体的比定压热容cp为恒定值。实际上,对于一定的气体,比定压热容cp值与气体的压力无关,而在一定的温度范围内,受温度的影响很小。但当被测气体是混合气体时,比定压热容的值将随组分比发生变化,以致在实际使用时,当被测气体的组分发生变化时,会带来显著的测量误差,必须进行校正。
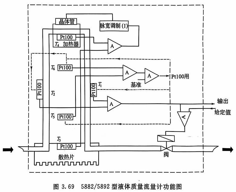
按照热式质量流量计的原理,有的公司也推出了适用于液体微小流量测量的热式质量流量计。图3.69 所示为 5882/5892型液体质量流量计的实际功能图。

其测量范围有0~200g/h和0~1000g/h(用水标定)两种。流体黏度允许高达200mPa·s(仪表最大差压4MPa)。流量测量精确度为±0.5%FS。在特殊设计的传感器中,流体在测量管内流动,测量管中点温度T4被控制在比进口温度T3高20℃的恒定值,热量是垂直于管道轴线方向传送给流体。这一点同适用于气体的热式流量计恰恰相反。在区域1和区域2,流体分别被轻微地加热和冷却,流体温度从T2变化到T1,建立了垂直于测量管的能量流,该能量流经温度传感器测量,其温度差值△T=T1-T2与质量流量呈精确的线性关系。
适用于气体的热式流量计与包含阻流件的大管道配合,可以很容易地扩大测量范围。适用于液体的热式流量计却不能,因为流体黏度变化、气泡、热对流和安装位置等都会直接影响其运行和性能。
5882/5892型仪表还具有控制功能,在其“SETPOINT”口输入代表设定流量的4~20mA DC,质量流量就会跟踪该路信号,从而实现流量定值调节。