一、产品概述
卫生型平膜压力变送器,适用于有特殊要求的食品、饮料、制药和生物工程行业。本产品通过不锈钢壳体和防腐无菌不锈钢过程连接接来实现卫生级测量要求的。传感器最高耐温150℃,清洗和高温灭菌时无需拆卸,使用方便,操作简单。该产品配套一体化集成电路,输出标准4-20mA电流信号或1-5VDC电压信号。
二、技术参数
接液材质 | 标准316L不锈钢陶盗典型钜哈氏合金或者踱金膜片 | 电 源 | 12-36VDC功耗≈30mA) |
负载误差 | < 0.5% | 控制输出 | 开关量2路 模拟量1路 |
温 漂 | <士0.05%FS/° C(温度范围-20-85℃ | 显示范围 | -1999-9999 |
零 点 | <士0.02%/°C典型值<±0.04%/°C最大值 | 储存温度 | -40-+125°C |
满 点 | <士0.02%/°C典型值<±0.04%/°C最大值 | 介质温度 | -30/-45-+85/+150/+300°C |
精 度 | <土0.5%满量程 | 电磁兼容 | 干扰影响Class B抗干扰性·符合工业场合要求 |
零 漂 | 0.3%满量程 | 机械冲击 | 100g/1ms |
热 回 差 | <土0.5%满量程 | 机械震动 | max.20g:15-2000Hz |
填 充 液 | 硅油2合成油或卫生油 | 防护等级 | 接线盒式IP65带电缆式IP67 |
响应时间 | 电流输出max2ms电压输出max10ms | 安装位置 | 任意(校验位置变送器竖直,过程连接朝下) |
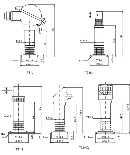
三,仪表尺寸








